建筑高度和建筑層數的計算方法
A.0.1 建筑高度的計算應符合下列規定:
1 建筑屋面為坡屋面時,建筑高度應為建筑室外設計地面至其檐口與屋脊的平均高度;
2 建筑屋面為平屋面(包括有女兒墻的平屋面)時,建筑高度應為建筑室外設計地面至其屋面面層的高度;
3 同一座建筑有多種形式的屋面時,建筑高度應按上述方法分別計算后,取其中最大值;
4 對于臺階式地坪,當位于不同高程地坪上的同一建筑之間有防火墻分隔,各自有符合規范規定的安全出口,且可沿建筑的兩個長邊設置貫通式或盡頭式消防車道時,可分別計算各自的建筑高度。否則,應按其中建筑高度最大者確定該建筑的建筑高度;
5 局部突出屋頂的瞭望塔、冷卻塔、水箱間、微波天線間或設施、電梯機房、排風和排煙機房以及樓梯出口小間等輔助用房占屋面面積不大于1/4者,可不計入建筑高度;
6 對于住宅建筑,設置在底部且室內高度不大于2.2m的自行車庫、儲藏室、敞開空間,室內外高差或建筑的地下或半地下室的頂板面高出室外設計地面的高度不大于1.5m的部分,可不計入建筑高度。
A.0.2 建筑層數應按建筑的自然層數計算,下列空間可不計入建筑層數:
1 室內頂板面高出室外設計地面的高度不大于1.5m的地下或半地下室;
2 設置在建筑底部且室內高度不大于2.2m的自行車庫、儲藏室、敞開空間;
3 建筑屋頂上突出的局部設備用房、出屋面的樓梯間等。
防火間距的計算方法
B.0.1 建筑物之間的防火間距應按相鄰建筑外墻的最近水平距離計算,當外墻有凸出的可燃或難燃構件時,應從其凸出部分外緣算起。
建筑物與儲罐、堆場的防火間距,應為建筑外墻至儲罐外壁或堆場中相鄰堆垛外緣的最近水平距離。
B.0.2 儲罐之間的防火間距應為相鄰兩儲罐外壁的最近水平距離。
儲罐與堆場的防火間距應為儲罐外壁至堆場中相鄰堆垛外緣的最近水平距離。
B.0.3 堆場之間的防火間距應為兩堆場中相鄰堆垛外緣的最近水平距離。
B.0.4 變壓器之間的防火間距應為相鄰變壓器外壁的最近水平距離。
變壓器與建筑物、儲罐或堆場的防火間距,應為變壓器外壁至建筑外墻、儲罐外壁或相鄰堆垛外緣的最近水平距離。
B.0.5 建筑物、儲罐或堆場與道路、鐵路的防火間距,應為建筑外墻、儲罐外壁或相鄰堆垛外緣距道路最近一側路邊或鐵路中心線的最小水平距離。
隧道內承重結構體的耐火極限試驗升溫曲線和相應的判定標準
C.0.1 RABT和HC標準升溫曲線應符合現行國家標準《建筑構件耐火試驗可供選擇和附加的試驗程序》GB/T 26784的規定。
C.0.2 耐火極限判定標準應符合下列規定:
1 當采用HC標準升溫曲線測試時,耐火極限的判定標準為:受火后,當距離混凝土底表面25mm處鋼筋的溫度超過250℃,或者混凝土表面的溫度超過380℃時,則判定為達到耐火極限。
2 當采用RABT標準升溫曲線測試時,耐火極限的判定標準為:受火后,當距離混凝土底表面25mm處鋼筋的溫度超過300℃,或者混凝土表面的溫度超過380℃時,則判定為達到耐火極限。




























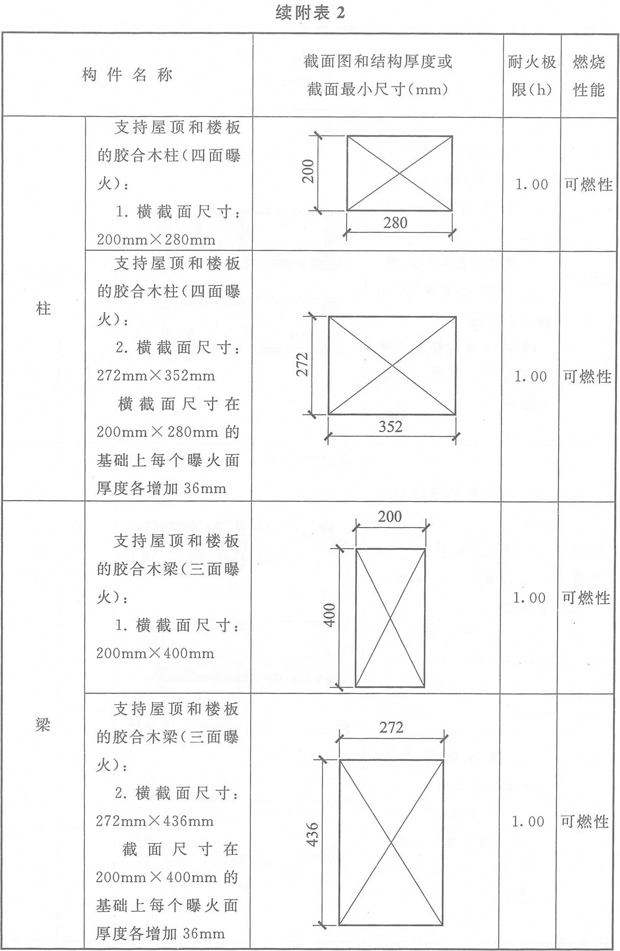
注:1 λ為鋼管混凝土構件長細比,對于圓鋼管混凝土,λ=4L/D;對于方、矩形鋼管混凝土,
λ=2
L/B;L為構件的計算長度。
2 對于矩形鋼管混凝土柱,B為截面短邊邊長。
3 鋼管混凝土柱的耐火極限為根據福州大學土木建筑工程學院提供的理論計算值,未經逐個試驗驗證。
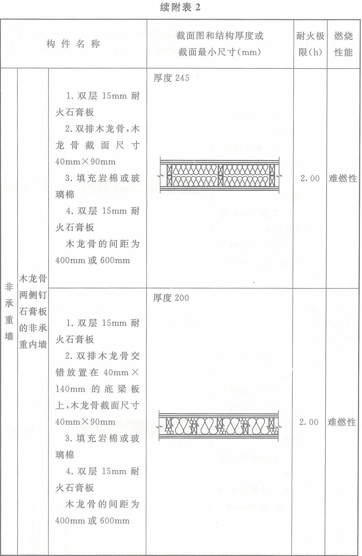
4 確定墻的耐火極限不考慮墻上有無洞孔。
5 墻的總厚度包括抹灰粉刷層。
6 中間尺寸的構件,其耐火極限建議經試驗確定,亦可按插入法計算。
7 計算保護層時,應包括抹灰粉刷層在內。
8 現澆的無梁樓板按簡支板的數據采用。
9 無防火保護層的鋼梁、鋼柱、鋼樓板和鋼屋架,其耐火極限可按0.25h確定。
10 人孔蓋板的耐火極限可參照防火門確定。
11 防火門和防火窗中的“木質”均為經阻燃處理。




































λ=2
L/B;L為構件的計算長度。2 對于矩形鋼管混凝土柱,B為截面短邊邊長。
3 鋼管混凝土柱的耐火極限為根據福州大學土木建筑工程學院提供的理論計算值,未經逐個試驗驗證。
4 確定墻的耐火極限不考慮墻上有無洞孔。
5 墻的總厚度包括抹灰粉刷層。
6 中間尺寸的構件,其耐火極限建議經試驗確定,亦可按插入法計算。
7 計算保護層時,應包括抹灰粉刷層在內。
8 現澆的無梁樓板按簡支板的數據采用。
9 無防火保護層的鋼梁、鋼柱、鋼樓板和鋼屋架,其耐火極限可按0.25h確定。
10 人孔蓋板的耐火極限可參照防火門確定。
11 防火門和防火窗中的“木質”均為經阻燃處理。








智淼君安(江蘇)消防工程技術有限公司http://www.szzhigang.cn/
海灣消防公司主營:海灣消防報警系統銷售,消防設備安裝,海灣氣體滅火、海灣電氣火災、消防水噴淋系統施工安裝,售后維修,海灣消防網站:http://www.szzhigang.cn/;海灣消防服務熱線:4006-598-119
本頁關鍵詞:建筑高度和建筑層數的計算方法
上一篇:海灣消防-火災自動報警系統 下一篇:火災自動報警系統和消防噴淋系統的聯動關系
技術資料更多 >>


蘇公網安備32058102002147號